【真题】2024年10月自考02232电工技术基础试题-自考菌
自考菌-一站式自学考试备考平台
  • 首页
  • 自考资讯
  • 备考资料
  • 历年真题H
  • 官方教材
  • 考试大纲
  • 登录
  • 注册
  • 首页
  • 自考资讯
  • 备考资料
  • 历年真题H
  • 官方教材
  • 考试大纲
登录
注册
找回密码
[预告]自考菌「题库」功能模块即将上线,所有在「题库」上线前注册用户均可免费获得一年题库全功能使用权限,没注册的考友欢迎及时注册~
  • 首页
  • 历年真题
  • 正文

【真题】2024年10月自考02232电工技术基础试题

自考菌的头像-自考菌
自考菌徽章-巴黎奥运-自考菌等级-LV10-自考菌
7个月前发布
关注私信
039

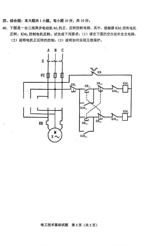
2024年10月自考02232电工技术基础试题1

2024年10月自考02232电工技术基础试题2

2024年10月自考02232电工技术基础试题3

 

© 版权声明
(1)分享是一种美德,转载请附带本文链接。
(2)本站自学考试信息供自考生参考,权威信息以各省(市)考试院官方为准。
THE END
历年真题
喜欢就支持一下吧
赞赏 分享
QQ空间微博QQ好友海报分享复制链接
收藏

上一篇

【真题】2024年10月自考02230机械制造试题

下一篇

【真题】2024年10月自考02234电子技术基础(一)试题
随机推荐
    【真题+答案】[广东]2020年1月自考06069审计学原理试卷-自考菌

    【真题+答案】[广东]2020年1月自考06069审计学原理试卷

    1年前
    46
    【真题】[浙江]2010年4月自考00192旅游市场学试题-自考菌

    【真题】[浙江]2010年4月自考00192旅游市场学试题

    1年前
    37
    【真题】2020年10月自考00407小学教育心理学试题-自考菌

    【真题】2020年10月自考00407小学教育心理学试题

    1年前
    33
    【真题+答案】2024年4月自考00157管理会计(一)试题-自考菌

    【真题+答案】2024年4月自考00157管理会计(一)试题

    1年前
    71
    【真题】2023年10月自考04757信息系统开发与管理试题-自考菌

    【真题】2023年10月自考04757信息系统开发与管理试题

    1年前
    47
    【真题】2024年10月自考11064建筑供配电试题-自考菌

    【真题】2024年10月自考11064建筑供配电试题

    6个月前
    48
    【真题】2018年10月自学考试00429教育学(一)试题-自考菌

    【真题】2018年10月自学考试00429教育学(一)试题

    1年前
    53
    [广东]【真题/答案】2022年1月自学考试11752管理数量方法与分析试卷-自考菌

    [广东]【真题/答案】2022年1月自学考试11752管理数量方法与分析试卷

    1年前
    45
    【真题】2019年10月自学考试03203外科护理学(二)试题-自考菌

    【真题】2019年10月自学考试03203外科护理学(二)试题

    1年前
    51
    【真题】2023年4月自考01105中级韩国语(一)试题-自考菌

    【真题】2023年4月自考01105中级韩国语(一)试题

    1年前
    32
评论 抢沙发

请登录后发表评论

登录 注册

    暂无评论内容

考试日历:距2025年10月考试还有 天
最新文章

暂无内容

热门
  • 历年真题
  • 官方教材
  • 自考大纲
  • 备考资料

1【真题+答案】2024年10月自考15040习近平新时代中国特色社会主义思想概论试题

2【真题】全国2017年4月04184线性代数(经管类)试题

3【真题+答案】2024年4月自考04184线性代数(经管类)试题

4【真题】2016年10月自考04183概率论与数理统计(经管类)试题

5【真题+答案】[江苏]2023年10月自考13683管理学原理(中级)试题

6【真题+答案】2025年4月自考15044马克思主义基本原理试题

7【真题+答案】[江苏]2023年4月自考13683管理学原理(中级)试题

8【真题+答案】2025年4月自考15040习近平新时代中国特色社会主义思想概论试题

  • 自考菌-一站式自学考试备考平台

    梦想从学习开始,事业从实践起步。-习近平
  • 友情链接 认识自考 用户指南 SiteMap

    本站自学考试信息供自考生参考,权威信息以各省(市)考试院官方为准。

    Copyright 2024-2025 自考菌, All Rights Reserved丨浙ICP备19041301号-1 浙ICP备19041301号-1
  • QQ扫码加自考群-自考菌

    QQ扫码加自考群
在手机上浏览此页面

自考菌-一站式自学考试备考平台
登录
没有账号?立即注册
用户名/手机号/邮箱
登录密码
找回密码
注册
已有账号,立即登录

为防止资源滥用,本站需使用邀请码注册
获取邀请码
请填写邀请码
设置用户名
邮箱
验证码
设置密码
重复密码