高纲1767
江苏省高等教育自学考试大纲
27979 电气控制技术
南京工程学院编(2018年)
江苏省高等教育自学考试委员会办公室
Ⅰ 课程性质与课程目标
一、课程性质和特点
《电气控制技术》课程是江苏省高等教育自学考试机电专业一门实践性较强的专业课,课程以电动机及其他执行电器为控制对象,详细介绍了常用电器的原理与使用、控制电路的基本环节、典型电路的基本原理、常见故障分析方法,可编程控制器的工作原理与系统构成、指令系统、可编程控制器控制系统的设计及编程方法,包括开关量控制、模拟量控制、位置控制、数据通信及网络和计算机辅助编程等有关知识。本课程既是前期课程的延续,又是后续各专业课的基础,在整个专业课程体系中起着承前启后的作用。教师在助学中应注重知识的建构性、学习者的主导性与学习的互动性,引导考生创造性地运用知识,自主发现问题、研究问题和解决问题。
二、课程目标
通过本课程的学习,要求考生应具有以下的理论知识和应用技能:掌握常用低压电器的结构、工作原理、特性及其应用;掌握典型电气控制电路继电接触控制系统基本分析和设计方法;掌握可编程控制器的工作原理、结构特点及基本逻辑指令的应用;熟练掌握步进顺控指令编程方法及应用;了解功能指令基本规则,重点掌握常用功能指令的应用;初步掌握PLC控制系统的设计方法。
本课程要求考生了解和掌握基本理论,同时具备较强的操作能力及对常用电气控制系统的应用能力。本门课程的考试旨在考核学生对电气控制系统的基本原理、性能特点及典型电气控制电路、应用方法和设计的掌握情况,以及电器、PLC的选型及系统设计。考生应独立完成考试内容,在回答试卷问题时,要求概念准确,逻辑清楚,必要的解题步骤不能省略,电路图应清晰正确。
在自学过程中,要求考生在通读教材,理解和掌握所学基本原理知识及基本方法的基础上,结合习题与思考题的练习,提高分析问题和解决问题的能力。
在自学过程中,要求考生在通读教材,理解和掌握所学基本原理知识及基本方法的基础上,结合习题与思考题的练习,提高分析问题和解决问题的能力。
三、课程的重点和难点
本课程的重点之一为常用低压电器的结构、功能特点、基本原理和概念,学生应牢固掌握电气控制系统所必需的基本理论,常用低压电器的基本特性,基本原理,结构、性能和实际应用,能分析和设计简单电气控制电路。
本课程的重点之二为可编程序控制器特点、基本结构和编程语言的特点等;理解软继电器的概念,掌握梯形图设计方法和掌握可编程控制的基本指令系统及指令应用。
考生要注意把握重点和考核知识点内容,用考核目标和各章的考核要求检验学习的效果,也要了解一般内容的知识点。
Ⅱ 考核目标
本课程自学考试大纲在考核目标中,按照识记、领会、简单应用和综合应用四个层次规定其应达到的能力层次要求。四个能力层次是递升的关系,后者必须建立在前者的基础上。各能力层次的含义是:
识记(Ⅰ):要求考生能够识别和记忆本大纲中规定的有关知识点的主要内容(如定义、表达式、公式、格式、原则、原理、重要结论、方法及特征、特点等),并能够根据考核的不同要求,做正确的表述、选择和判断。
领会(Ⅱ):要求考生能够领悟和理解本大纲中规定的有关知识点的内涵及外延,熟悉其内容要点和它们之间的区别与联系,并能正确地解释说明和论述。并能根据考核的不同要求对有关问题进行逻辑推理和论证,做出正确的解释、叙述和说明。
简单应用(Ⅲ):要求考生能够运用本大纲中规定的少量知识点,学会使用几种常见的传感器,解决外界信息检测的简单应用问题,并能绘制出简单功能扩展应用的电气原理图,分析和说明系统的功能。
综合应用(Ⅳ):要求考生能够运用本大纲中规定的多个知识点,面对较复杂的外部信息检测应用问题,进行系统设计和信号调理电路设计,绘制出系统功能扩展应用的电气原理图,分析和解决一般工程应用问题。
Ⅲ 课程内容与考核要求
绪论
一、学习目的与要求
通过本章的学习,掌握电气控制与PLC的基本概念,了解学科地位、基本内容和发展历史。明确学习内容和目的,以及本课程的性质和任务。
第1章 电气控制基础
一、学习目的与要求
通过本章的学习,掌握电器基本知识,电磁机构工作原理,掌握各种常用低压电器的工作原理,掌握其图形和文字符号及使用方法,理解各种常用低压电器的组成和结构特点。掌握电气原理图概念和绘制原则、掌握控制线路的基本环节及一些典型线路的工作原理、分析方法和设计方法,掌握电气控制线路分析的基础知识。
二、课程内容(考试内容)
(1) 电器的基本知识
(2) 常用低压电器
(3)电气控制系统图的类型及有关规定
(4)电气控制的基本电路
(5)三相异步电动机速度控制电路
(6)变频调速控制电路
(7)电气控制电路分析基础
三、考核知识点
低压电器的定义与分类、电磁式低压电器的基本结构、灭弧方法及适用的对象、交直流电磁机构的结构和特点、常用低压电器(接触器、继电器、断路器、主令电器)的结构、工作原理、文字图形符号、常用执行电器和检测仪表。电气控制线路图的组成;电气控制线路图的绘制原则;三相笼型异步电动机直接起动,正反转的主电路。自锁)、互锁)、点动长动转换、顺序、多条件及多点控制线路;三相笼型异步电动机降压启动控制线路分析;三相笼型异步电动机电动机制动控制线路分析;典型控制电路设计。
四、考核要求
1.识记
(1)电磁式低压电器的基本结构;
(2)常用低压电器(接触器、继电器、断路器、主令电器)
(3) 三电气控制线路图的绘制原则;
(4) 三相笼型异步电动机基本控制(包括降压启动、制动)线路。
2.领会
(1)常用执行电器和检测仪表。
(2) 控制线路的基本环节及一些典型线路的工作原理、分析方法和设计方法;
(3) 电气控制线路的分析方法和使用。
五、本章重点、难点
重点:电器基本知识,电磁机构工作原理,常用电压电器(接触器、继电器、断路器、主令电器的)工作原理,三相笼型异步电动机基本控制线路
难点:常用低压电器的参数计算与选择,电气控制线路设计。。
第2章 可编程序控制器概述
一、学习目的与要求
通过本章的学习,掌握可编程控制器的一般特性,工作原理和工作方式。
二、课程内容
(1)PLC的产生和发展
(2)PLC的定义及特点
(3)PLC的主要应用
(4)PLC与微机及继电接触器控制系统的区别
三、考核知识点
PLC 的定义(是什么,功能和原则)、PLC 和继电器控制系统的区别、PLC 的应用领域。
四、考核要求
1.识记
(1) PLC的定义;
(2) PLC与微机及继电器控制系统的区别。
2.领会
(1) PLC的产生和发展;
(2) PLC的主要应用。
五、本章重点、难点
重点:PLC的定义;
难点:PLC与微机及继电器控制系统的区别。
第3章PLC的结构和工作原理
一、学习目的与要求
通过本章的学习,掌握可编程控制器的一般特性,工作原理和工作方式。
二、课程内容
(1) PLC的分类;
(2) P LC的基本结构。
(3)PLC的主要性能指标
(4)PLC的工作原理
(5)PLC的编程语言
三、考核知识点
PLC 的分类(I/O 点数;结构形式)、 PLC 的基本组成、 存储器的组成、 PLC 输入输出单元、 PLC 的工作方式和工作方式(扫描周期)、PLC的编程语言。
四、考核要求
1.识记
(1) PLC分类及系统组成;
(2) PLC的工作原理。
2.领会
(1) PLC系统组成,各部件的功能;
(2) PLC的工作过程的中心内容。
五、本章重点、难点
重点:PLC分类及系统组成、PLC的工作原理;
难点:PLC的工作原理。
第4章S7-200 PLC的硬件配置
一、学习目的与要求
通过本章的学习,掌握S7-200PLC硬件组成,系统扩展方法,内部器件资源。
二、课程内容
(1)主机结构及特性
(2)I/O扩展模块和功能扩展模块
(3)PLC内部资源分配
三、考核知识点
S7-200 CPU种类及基本I/O 点数、S7-200的系统扩展方法,PLC内部资源分配。
四、考核要求
1.识记
(1)S7-200PLC主机结构及特性, I/O扩展模块和功能扩展模块;
(2)PLC内部资源分配;
2.领会
(1)IS7-200PLC主机结构及特性。
(2) S7-200的系统扩展.
五、本章重点、难点
重点:S7-200PLC主机结构及特性。
难点:PLC内部资源分配。
第5章S7-200 PLC的基本指令及应用
一、学习目的与要求
通过本章的学习,掌握S7-200.数据类型,寻址方式及其编程语言和程序结构掌握S7-200 基本逻辑指令系统及其使用方法,掌握典型电路及环节的编程,能够进行基本PLC控制程序的设计。
二、课程内容
(1)数据类型和寻址方式
(2)S7-200 PLC的基本指令
(3)程序结构
(4) 程序控制指令
(5) 顺序控制指令及编程应用
(6) STEP 7编程软件
三、考核知识点
S7-200 基本逻辑指令(9 层堆栈,LAD,STL)、 定时器(概念、种类、分辨率、刷新方式)、计数器(概念、种类、复位方式和状态)、PLC 编程的基本原则、典型的逻辑电路的设计(定时、振荡、二分频电路,梯形图和语句表转换等),基本指令的具体应用;握功能图的组成、构成规则、 顺控指令、SCR 程序段的功能、 功能图的主要类型、 功能图的顺控指令及应用。
四、考核要求
1.识记
(1)S7-200 基本逻辑指令;
(2)定时器和计数器指令;
(3)典型的逻辑电路的设计;
(4)功能图的顺控指令。
2.领会
(1)S7-200 基本逻辑指令使用;
(2)定时器和计数器指令使用;
(3)典型的逻辑电路的PLC编程;
(4)功能图的类型及顺控指令应用。
五、本章重点、难点
重点: S7-200 基本逻辑指令、定时器和计数器指令使用,顺控指令应用;
难点:基本控制电路的PLC编程。
第6章S7-200 PLC功能指令
一、学习目的与要求
通过本章的学习,掌握传送类与运算类的主要功能指令,了解功能指令的使用。对其它功能指令不做考核要求。
二、课程内容
(1)传送、移位和填充指令
(2)运算和数学指令
三、考核知识点
传送类指令、移位和循环指令、加法指令、减法指令、乘法指令、除法指令、增/减指令。
四、考核要求
1.识记
(1)传送类指令、移位和循环指令;
(2)数学运算指令指令;
2.领会
(1)传送类指令、移位和循环指令应用;
(2)加、减乘除及增/减指令应用;
五、本章重点、难点
重点:传送类指令、移位和循环指令,加、减乘除及增/减指令;
难点:功能指令应用。
第7章S7-200 PLC的通信与网络
一、学习目的与要求
通过本章的学习,掌握工业通信网络的基础知识、了解西门子S7-200的通信网络及其配置,了解通信指令的使用。
二、课程内容
(1)通信及网络的基础知识
(2)S7-200 PLC的通信协议与典型网络配置
三、考核知识点
数据通信的方式、数据传输方式、主要拓扑结构;串行通信接口;S7-200PLC的通信与网络配置。
四、考核要求
1.识记
(1)数据通信的方式;
(2)串行通信接口。
2.领会
(1)S7-200PLC的通信与网络配置;
(2)S7-200PLC的通信指令及应用;
五、本章重点、难点
重点:工业通信网络的串行通信;
难点:S7-200 PLC几种典型的网络配置。
第八章PLC控制系统设计实例
一、学习目的与要求
通过本章的学习,掌握PLC在电气控制系统的具体应用、PLC选型与硬件配置、编制输入输出分配表和绘制外部接线图的方法,掌握软件设计技巧。
二、课程内容
(1)三相异步电动机的PLC控制;
(2)十字路口交通信号灯的PLC控制;
(3)液体混合装置的PLC控制;
(4)货物传输带及机械手臂控制系统;
(5)电镀专用行车PLC控制系统;
(6)温度检测与数据处理。
三、考核知识点
PLC选型与硬件配置、输入输出分配表和外部接线图的方法,控制系统软件设计。
四、考核要求
1.识记
(1)输入输出分配表;
(2)。PLC外部接线图。
2.领会
(1)PLC控制系统的工程实例;
五、本章重点、难点
重点:PLC选型与硬件配置、输入输出分配表和外部接线图;
难点:设计实际PLC控制系统。
第九章PLC控制系统的设计
一、学习目的与要求
通过本章的学习,了解PLC控制系统的基本构成及设计步骤,了解实际PLC控制系统的注意事项。
二、课程内容
(1)PLC控制系统的设计内容及步骤;
(2)PLC控制系统的硬件设计;
(3)PLC控制系统的软件设计;
(4)人机界面设计;
(5)PLC在工程应用中的注意事项
三、考核知识点
PLC控制系统的设计步骤及内容。
四、考核要求
1.识记
(1)PLC控制系统的设计内容及步骤;
2.领会
(1)PLC控制系统的硬件设计和软件设计;
五、本章重点、难点
重点:PLC控制系统的设计步骤及内容;
难点:PLC控制系统的硬件设计和软件设计。
Ⅳ 关于大纲的说明与考核实施要求
一、自学考试大纲的目的和作用
《电气控制技术》课程自学考试大纲是根据专业自学考试计划的要求,结合自学考试的特点而确定。其目的是对个人自学、社会助学和课程考试命题进行指导和规定。
本课程自学考试大纲明确了课程学习的内容以及深度、广度,规定了课程自学考试的范围和标准。因此,它是编写自学考试教材和辅导书的依据,是社会助学组织进行自学辅导的依据,是自学者学习教材、掌握课程内容知识范围和程度的依据,也是进行自学考试命题的依据。
在自学本课程之前应先通读大纲,了解课程的内容、考核知识点和考核要求。明确考核目标,使自学应考者有的放矢地系统地学习教材;使辅导教师更好地组织教学内容;使命题教师能够更加明确命题范围,更准确地安排试题的知识能力层次和难易程度。本大纲要求学习和掌握的知识点都可作为考核的内容。
二、课程自学考试大纲与教材的关系
课程自学考试大纲是进行学习和考核的依据,教材是学习掌握课程知识的基本内容与范围,教材的内容是大纲所规定的课程知识和内容的扩展与发挥。课程内容在教材中可以体现一定的深度或难度,本大纲中对考核的要求是按照本专业的培养目标,以及对考生知识结构要求和专业考试计划来确定的,深度或难度较适当。
大纲与教材所体现的课程内容应基本一致;本大纲的课程内容和考核知识点是与所选教材一致的,本大纲中第1章至第8章内容使用的教材是《电气控制与PLC应用技术》,梅丽风编,机工出版社,2012. 3)。(注:其中的内容与大纲要求不一致的地方,以大纲规定为准。)
三、关于自学教材
本课程使用教材为:《电气控制与PLC应用技术》,梅丽凤主编,机械工业出版社,2011年版。
参考教材:
《电气控制与PLC技术》, 董燕等编著,电子工业出版社2011年1月出版。
《西门子S7系列PLC电气控制精解》,李方园主编,化学工业出版社,2010年8月出版。
四、关于自学要求和自学方法的指导
本大纲的课程基本要求是依据专业考试计划和专业培养目标而确定的。课程基本要求还明确了课程的基本内容,以及对基本内容掌握的程度。基本要求中的知识点构成了课程内容的主体部分。因此,课程基本内容掌握程度、课程考核知识点是高等教育自学考试考核的主要内容。
为有效地指导个人自学和社会助学,本大纲已指明了课程的重点和难点,在章节的基本要求中一般也指明了章节内容的重点和难点。
《电气控制技术》课程应用面较宽,涉及到模拟电路技术、数字电路技术、电路原理、模拟电子技术、数字电子技术、电机与拖动基础及工程技术的许多方面。考生在自学时往往会感到有一定困难,但自学能力的培养对获取知识是非常必要的。在自学过程中应注意以下几点:
1.根据考核要求中的四个能力层次,在全面系统学习的基础上掌握重点概念和重点问题,注意各章内容之间的内在联系。
2.本课程的自学考试大纲是自学本课程的主要依据。在自学本课程前应先通读大纲,了解课程的要求,获得课程完整的概貌。在开始自学某一章时,先阅读大纲,了解该章的课程内容,考核知识点和考核要求,在自学过程中就有的放矢。
3.阅读教材时,要求吃透每个考核知识点。对基本概念要做到深刻理解,对基本原理要弄清弄懂,对基本方法要熟练掌握。
4.重视每章末的习题的作用,最好多做习题,可以帮助考生尽快地达到自考大纲的要求,并可以检查学习掌握知识的程度。
5.本课程是一门实践性较强的课程,考生在自学过程中必须注意理论联系实际,按实验目的、要求和内容认真做好实验。建议实验与课程自学过程同步进行。
6.考生在自学时要注意基本能力的培养,即系统分析和综合的能力,分析问题和理解知识的能力,抓住重点阐述问题的能力,以及实验能力等。
五、对社会助学的要求
1.社会助学指导教师应熟悉本大纲所要求的内容、考核知识点和考核要求,辅导内容必须以本大纲为依据。切实作好对自学应考者的辅导,防止自学中的各种偏向,把握社会助学的正确导向。
2.注意自学考试的特点,命题将覆盖各章,特别是本大纲规定的重点,不可随意增删和圈定重点以免导向失误。本大纲课程内容和考核知识点不作要求的内容则不考。
3.注意培养考生的自学能力,以及分析、设计及应用的能力,努力引导自学应考者将识记、领会与应用联系起来,把知识和理论转化为能力。着重培养和提高自学应考者的分析问题和解决问题的能力。
4.建议课程学习和实验同步进行。实验可以在主考学校,也可在有条件的地方进行。在实验中,指导教师对考生遇到的实际问题应及时进行具体的帮助。
六、应考指导
1.如何学习。很好的学习计划和组织是你成功的法宝。如果你正在接受培训学习,一定要跟紧课程并完成作业。为了在考试中做出满意的回答,你必须对所学课程内容有很好的理解。你阅读课本时可以做读书笔记。如有需要重点注意的内容,可以用彩笔来标注。如:红色代表重点;绿色代表还未理解需要深入研究的知识点;黄色代表可以运用在工作之中等。
2.如何考试。卷面整洁非常重要。书写工整,段落与间距合理,卷面赏心悦目有助于教师评分,教师只能为他能看清楚的内容打分。要抓住重点回答题目所问的问题,而不是回答你自己乐意回答的问题!避免答非所问。
3.如何处理紧张情绪。正确处理对失败的惧怕,要正面思考。考前要调整好心态,要对自己充满自信,当然自信来自于对课程的把握和考前复习。进入考场后做深呼吸放松,这有助于使头脑清醒,缓解紧张情绪,保持冷静。
七、对考核内容的说明
本课程要求考生学习和掌握的知识点内容都作为考核的内容。课程中各章的内容均由若干知识点组成,在自学考试中成为考核知识点。因此,课程自学考试大纲中所规定的考试内容是以分解为考核知识点的方式给出的。由于各知识点在课程中的地位、作用以及知识自身的特点不同,自学考试将对各知识点分别按四个认知(或叫能力)层次确定其考核要求。
八、关于考试命题的若干规定
1.考试采用闭卷方式,考试时间为120分钟。试卷一律用钢笔或圆珠笔书写,作图可用铅笔和直尺。可带普通计算器。
2.本大纲各章所规定的基本要求、知识点及知识点下的知识细目,都属于考核的内容。
3.命题不应有超出大纲中考核知识点范围的题目,考核目标不高于大纲中所规定的相应的最高能力层次要求。命题应着重考核自学者对基本概念、基本知识和基本理论是否了解或掌握,对基本方法是否会用或熟练。
4.本课程在试卷中对不同能力层次要求的分数比例大致为:识记占20%,领会占40%,简单应用占30%,综合应用占10%。
5.要合理安排试题的难易程度,试题的难度可分为:易、较易、较难和难四个等级。每份试卷中不同难度试题的分数比例一般为:20:40:25:15。
必须注意试题的难易程度与能力层次有一定的联系,但二者不是等同的概念。在各个能力层次中对于不同的考生都存在着不同的难度。在大纲中已特别强调这个问题,考生切勿混淆。
6.本课程考试命题的主要题型一般有单项选择题、填空题、简答题、综合应用题等题型。
附录 题型举例
一、单项选择题
1.电磁式继电器的电磁机构包括( )
A.线圈 B.铁心
C.衔铁 D.以上所有部分
2.在输出扫描阶段,将( )寄存器中的内容复制到输出端子上。
A.变量存储器 B.内部存储器
C.输入映象 D.输出映象
二、填空题
1.继电器一般由两个基本部分组成,即 机构和 机构。
2.S7-200系列PLC的主要寻址方式有: 、 。
三、简答题
1.如何对三相交流异步电动机进行短路和过载保护?
2. PLC 的输入/输出滞后现象由哪些因素引起?
四、综合题
1.试分析下图所示电路的工作原理,并说明起动和停止过程中控制电路中各元件的作用。

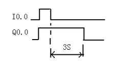
2.下图为PLC控制的瞬时接通/延时断开电路时序图,试设计该电路的梯形图程序。

五、设计题
1.设计PLC控制系统完成送料小车控制,送料小车由电动机拖动,在A、B两地之间运行。电动机正转,车子前进;电动机反转,车子后退。对车子的控制要求为:正常时车子停在A地,每按下启动按钮,小车自动前进,到达B地点,小车自动停止,经5s钟后,小车自动返回A地,8秒后小车再次向B 地运行,整个系统循环工作,按下停止按钮后,最终停到A地待命。(注:在A、B两地有行程开关)要求:
(1)写出输入/输出地址分配表;
(2)画出PLC的外部电气接口图;
(3)写出PLC控制梯形图或程序。
(2)本站自学考试信息供自考生参考,权威信息以各省(市)考试院官方为准。





暂无评论内容