机密★启用前
2024年4月高等教育自学考试全国统一考试
电气传动与可编程控制器(PLC)
(课程代码 02207)
注意事项:
1.本试卷分为两部分,第一部分为选择题,第二部分为非选择题,
2.应考者必须按试题顺序在答题卡(纸)指定位置上作答,答在试卷上无效。
3.涂写部分、画图部分必须使用 2B铅笔,书写部分必须使用黑色字迹签字笔。
第一部分 选择题
一、单项选择题:本大题共20小题,每小题1分,共20分。在每小题列出的备选项中只有一项是最符合题目要求的,请将其选出。
1.低压电器的额定交流电压为
A.220V 及以下
B.380V 及以下
C.1200V及以下
D.1500V及以下
2.热继电器是一种利用以下什么原理进行工作的保护电器
A.电流的热效应原理
B.测量红外线
C.监测线圈温度
D.监测导体发热
3、下列电器不属于控制电器的是
A.主令电器
B.断路鉴
C.接触器
D.继电器
4.在控制线路中,速度继电器所起到的作用是
A.过载保护
B.过压保护
C.欠压保护
D.速度检测
5.电气原理图中,下列说法正确的是
A.必须使用国家统一规定的文字符号
B.必须使用地方统一规定的文字符号
C.必须使用国际电工组织统一规定的文字符号
D.自己定义相关符号
6.在电气控制线路中,若对电动机进行过载保护,则选用的低压电是
A.过电压继电器
B.熔断器
C.热继电器
D.时间继电器
7.在电动机的连续运转控制中,其控制关键的应用是
A.自锁触点
B.互锁触点
C.复合按钮
D.机械联锁
8.可用于电动机正反向转换的电气元件是
A.热继电器
B.空气开关
C.速度继电器
D.交流接触器
9.分析电气原理图的基本原则是
A.先分析交流通路
B.先分析直流通路
C.先分析主电路、后分析辅助电路
D.先分析辅助电路、后分析主电路
10.可作为可编程序控制器输入元件的是
A.按钮开关
B.电阻丝
C.接触器线圈
D.继电器线圈
11.下列结构中,不属于 PLC 的基本组成结构的是
A.CPU
B.输入、输出接口
C.存储器
D.定时器
12.下列 PLC 编程指令中,表示逻辑或非的指令是
A. LD
B.AND
C.END
D. OR NOT
13.FX₂系列输入继电器代号是
A.S
B.T
C.X
D.C
14.上升沿脉冲输出的指令是
A. SET
B.PLF
C. PLS
D. RST
15.在什么情况下,定时器的常开触点断开,常闭触点接通?
A.定时器当前值<设定值时
B.定时器当前值=设定值时
C.定时器当前值>设定值时
D.定时器当前值>设定值时
16.下列对 PLC 软继电器的描述,正确的是
A.有无数对常开和常闭触点供编程时使用
B.只有2对常开和常闭触点供编程时使用
C.不同型号的 PLC 的情况可能不一样
D.以上说法都不对
17.用于驱动线圈的指令是
A.LD
B.AND
C.OR
D.OUT
18.属于交流电动机调速方法的是
A.电枢电路外串电阻调速
B.改变磁通调速
C.变转差率
D.改变电枢电压调速
19.直流调速系统实现无静差调节必须使用
A.转速负反馈控制
B.比创积分调节器的闭环调速控制
C.电流截止负反馈控制
D.电压负反馈+电流正反馈控制
20.有关变频调速论述,错误的是
A.一种交流电动机调速方法
B.电气无极调速
C.恒功率调速
D.可用于大容量电动机
二、判断题:本大题共10小题,每小题1分,共10分。判断下列各题正误,正确的在答愿卡相应位置涂“A”,错误的涂“B”。
21.熔断器在电路中既可作短路保护,又可作过载保护
22.低压电器设备必须进行灭弧处理。
23.熔断器的额定电流大于或等于熔体的额定电流。
24.Y000是FX系列PLC的一个输出继电器。
25.变频调速是一种直流无级调速方法。
26.接触器的线圈可以并接于电路中,也可以申接于电路中。
27.FX 型可编程序控制器 PLC 的空操作指令是 NOP。
28.在 PLC 程序执行阶段,外部输入电路状态变化,输入映像存器状态不会随之改变,而在下一个扫指周期的输入阶段被读入。
29.PLC系统的控制功能的改变必须通过修改控制器件和接线来实现。
30.交-交变频器可将工频交流电直接变换成频率、电压均可调节控制的交流电。
第二部分 非选择题
三、填空题:本大题共 10小题,每小题1分,共10分。
31.低压电器一般均有两个共同基本部分:感受部分和_________。
32.按输入信号的性质,电磁式控制继电器可分为电压继电器和_________。
33.一般采取的制动方法有两大类:_________和电气制动。
34.用接触器本身的触点来使其线圈保持通电的环节称为_________。
35.接触器本身具有欠压、_________保护功能。
36.可编程序控制器的两种医形化编程语言是梯形图和_________。
37.FX系列可编程序控制器的取反指令为_________。
38.梯形图的输出线圈只能_________联连接。
39.直流调速系统中引入转速负反馈,可以减少_________。
40.现代机床通常以机、_________、液三大技术为支撑。
四、简答题:本大题共5小题,每小题5分,共25分。
41.常用的电气制动有哪两种?并简述各自制动原理。
42.写出5种常见的主令电器。
43.为什么热继电器不能作过载保护用?
44.PLC 的工作过程分哪几个阶段?各阶段完成什么任务?
45.写出直流电动机的转速与其他参量的关系表达式,并叙述直流电动机的调速方法有哪几种?
五、分析题:本大题共2小题,每小题10分,共20分。
46.分析下图电路功能,并简述其工作原理。

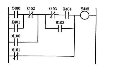
47.写出下图所示梯形图的指令程序。

六、综合设计题:本大题共2小题,每小题7.5分,共15分。
48.设计一种三相异步电动机正一反一停主电路和控制电路,并具备短路、过载保护。
49.有3个指示灯,要求按下启动按钮后,3个指示灯依次点亮10s,3s,5s,并不断循环,按下停止按钮,指示灯停止工作。试设计控制程序。试写出I/O分配并画出梯形图。
(2)本站自学考试信息供自考生参考,权威信息以各省(市)考试院官方为准。






暂无评论内容